Dobrý den,
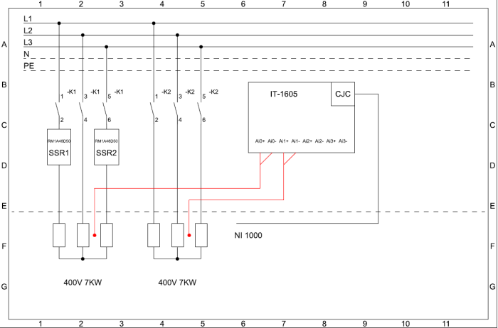
na IT-1605 mám připojené 4 Termočlánky typu J které jsou umístěné na topných spirálách kde je snímána teplota max cca 450 °C. Některé topné spirály jsou spínané stykačem a jiné stykačem a SSR se spínáním v nule.
Při zapnutí ohřevu se teplota lineárně zvyšuje do hodnoty přibližně 250 °C a poté začne růst exponenciálně až do hodnoty 1200. Při připojení termočlánku na měřící přístroj Voltcraft PL-120 T2 je měřená teplota lineární až do 450 °C a nejspíš i dál.
Nevím jestli je to způsobeno rušením SSR ale stává se to i na samotném zapnutém ohřevu jen se stykačem. SSR jsou spínaná v nule a sepnou cca jednou za minutu. Prosím o radu jaké by šlo udělat opatření aby k tomuto nedocházelo.
Děkuji.

Odpovědi 1
Dobrý den.
Dle popisu nevidím žádnou chybu. Jediné, co mne napadá je, zda je nemůže problém vzniknout galvanickým spojením (problém izolace), ale nejsou to tak vysoké teploty, u kterých bych to očekával.
Mechanické provedení termočlánků je jaké (přesný typ, nebo popis provedení) ?
Jeden možný pokus je odpojit 3 termočlánky (úplně z konektoru modulu IT-1605) a nechat jen jeden, zda se chování změní.
Vaše odpověď
Pro vložení odpovědi je nezbytné být přihlášený. Pokračujte na přihlášení.
